Описание
Двигатель дизельный 188FA (B-тип, вал конус) - T0
Характеристики
Комплектация
Фильтр воздушный.
Габаритные размеры упаковки (Д;Ш;В; мм)
525х514х560
Гарантия, срок (мес)
12
Артикул
025595
Габаритные Размеры (Д;Ш;В; мм)
480х440х496
Масса, кг
48
Количество цилиндров
1
Расположение цилиндров
Вертикально
Рабочий объём двигателя (л)
0,456
Рекомендуемый тип масла
SAE 10W-30
Вес брутто (кг)
47
Ёмкость масляной системы (л)
1.6
Описание товара
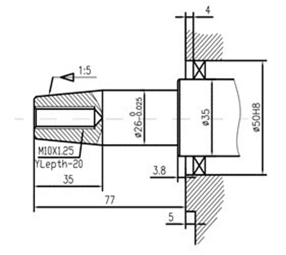
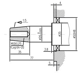
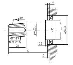
Двигатель дизельный, одноцилиндровый, с воздушным охлаждением. Вал конус (D-26 mm, L-75 mm), подходит для замены GESHT D188FAE, YANMAR L100N, Kipor KM186F, Lifan 188FD Diesel, Grost 186FАЕ-G. Изготовителем данных двигателей является завод Excalibur - крупнейший производитель сварочных генераторов, строительной техники и двигателей для малой механизации, которые поставляются в страны Азии, Европы, Африку и Америку.
Двигатель дизельный 188FA (B-тип, вал конус) - T0 предназначен для установки на портативные электростанции и сварочные генераторы.
Двигатель дизельный 188FA (B-тип, вал конус) - T0 является аналогом двигателей с конусным валом:
Двигатель Lifan 188FD Diesel, конусный вал;
Двигатель дизельный GESHT D188FAE;
Двигатель дизельный YANMAR L100N;
Двигатель дизельный Kipor KM186F;
Двигатель дизельный 186FАЕ-G.
Комплектация - T0:
Без глушителя.
Без бака топливного.
Без стартера ручного.
Без электростартера.
Картинки2
https://tss.ru/upload/iblock/8c2/a9t88kai8jgxj5sfff9luhk2a2xh6y6s.jpeg, https://tss.ru/upload/iblock/e04/w1djmzc8t0zcmzpfk4wl9kb0pxup1emc.jpeg, https://tss.ru/upload/iblock/eda/wcojvuq6voykbm12iu9jtz7czc5192xg.jpeg, https://tss.ru/upload/iblock/ee6/flkhjg5qgoh68dol7n1j81j280b1j51l.jpeg, https://tss.ru/upload/iblock/9cf/nd4wo9deea44ye1fxwqlg769iaektks1.jpeg, https://tss.ru/upload/iblock/9e3/zuc6w5da158rw31nejnp7ajt72at0mc2.jpeg, https://tss.ru/upload/iblock/b93/nefyfgzw102ggkerwl2w2e6ru6jovg11.jpeg, https://tss.ru/upload/iblock/d90/az4yew42v38bav15ersr6vuwfeykmqfx.jpeg
Детальное описание товара2
Двигатель дизельный, одноцилиндровый, с воздушным охлаждением. Вал конус (D-26 mm, L-75 mm), подходит для замены GESHT D188FAE, YANMAR L100N, Kipor KM186F, Lifan 188FD Diesel, Grost 186FАЕ-G. Изготовителем данных двигателей является завод Excalibur - крупнейший производитель сварочных генераторов, строительной техники и двигателей для малой механизации, которые поставляются в страны Азии, Европы, Африку и Америку.
Двигатель дизельный 188FA (B-тип, вал конус) - T0 предназначен для установки на портативные электростанции и сварочные генераторы.
Двигатель дизельный 188FA (B-тип, вал конус) - T0 является аналогом двигателей с конусным валом:
Двигатель Lifan 188FD Diesel, конусный вал;
Двигатель дизельный GESHT D188FAE;
Двигатель дизельный YANMAR L100N;
Двигатель дизельный Kipor KM186F;
Двигатель дизельный 186FАЕ-G.
Комплектация - T0:
Без глушителя.
Без бака топливного.
Без стартера ручного.
Без электростартера.
Пусковое устройство (стартер)
Стартер ручной
Тип воздушного фильтра
Фильтр воздушный
Тип масляного фильтра
Фильтр масленый
Ход поршня (мм)
75
Диаметр цилиндра (мм)
88
Система охлаждения
Воздушная
Тактность двигателя
4
Вид топлива
Дт
Рабочий объем, см3
456
Тип вала
B-тип, Конус. D-26 mm, L-75 mm
Мощность номинальная кВт/л.с. (3600 об/мин)
9,56/13
Мощность номинальная кВт/л.с. (3000 об/мин)
7,8/10,61
Аналоги
Lifan 188F
Отзывы
Отзывов еще никто не оставлял
