Описание
Краткая информация по оборудованию
- Электрогидравлический привод.
- Пневматическая система безопасности с электронным контролем.
- Многопозиционный замок безопасности у трапов.
- Регулируемый замок безопасности у трапов гарантирует синхронизацию трапов по высоте.
- Двойное устройство безопасности: если замки безопасности у трапов не сработают, подъемник будет автоматически заблокирован дублирующим устройством.
- Складные заездные трапы.
- Пульт управления всеми операциями.
- Защита ног оператора.
- Регулируемая по ширине колея между платформами позволяет без труда проводить работы с узкими и широкими автомобилями.
- Подъемник подходит для обслуживания, легких грузовиков, длиннобазных и широких автомобилей.
Характеристики
Цвет
Красный
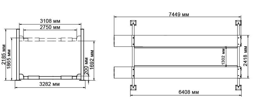
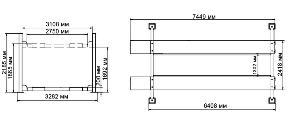
Длина
6408 мм
Вес
1520 кг
Грузоподъемность
8 т
Ширина подъемника
3482 мм
Мощность
3 кВт 380В (220В - опция)
Ширина платформ
560 мм
Расстояние между колоннами
3108 мм
Высота подъема
1865 мм
Гарантия 2 года
Да
Время подъема
118 сек
Высота платформы в сложенном состоянии
200 мм
Длина (с трапами)
7449 мм
Высота подъемника
2185 мм
Предохранительное устройство
Пневматическое управление с пульта
Модификация
Для слесарных работ, ровные платформы
Отзывы
Отзывов еще никто не оставлял
