Описание
Краткая информация по оборудованию
- Электрогидравлический привод.
- Пневматическая система безопасности с электронным контролем.
- Многопозиционный замок безопасности у трапов.
- Регулируемый замок безопасности у трапов гарантирует синхронизацию трапов по высоте.
- Двойное устройство безопасности: если замки безопасности у трапов не сработают, подъемник будет автоматически заблокирован дублирующим устройством.
- Складные заездные трапы.
- Пульт управления всеми операциями.
- Защита ног оператора.
- Подъемник подходит для обслуживания грузовиков, длиннобазных и широких автомобилей.
Характеристики
Цвет
Красный
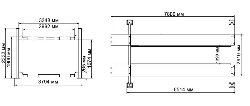
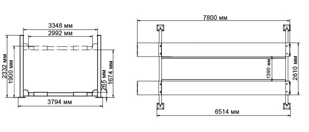
Длина
6514 мм
Вес
2440 кг
Грузоподъемность
13,5 т
Ширина подъемника
3794 мм
Мощность
3 кВт 220/380В
Расстояние между колоннами
3348 мм
Высота подъема
1900 мм
Гарантия 2 года
Да
Время подъема
116 сек
Высота платформы в сложенном состоянии
265 мм
Длина (с трапами)
7800 мм
Высота подъемника
2232 мм
Предохранительное устройство
Пневматическое управление с пульта
Модификация
Для слесарных работ, ровные платформы
Под заказ
Y
Отзывы
Отзывов еще никто не оставлял
